بهصورت کلی اینورترها به دو نوع (اینورتر منبع ولتاژ) و CSI (اینورتر منبع جریان) طبقهبندی میشوند. اینورتر نوع VSI دارای منبع ولتاژ DC با امپدانس کمتر در پایانههای ورودی یک اینورتر است. اینورتر نوع CSI دارای منبع جریان DC با امپدانس بالا است.
در این مقاله قصد داریم در رابطه اینورتر سه فاز و نحوه کار کرد آن با شما به گفتگو بپردازیم. همچنین برای شما بیان خواهیم کرد که چه زمانی به یک اینورتر سه فاز نیاز پیدا خواهید کرد. پس باما همراه باشید.
همانطور که گفتیم اینورتر به دستگاه الکترونیکی قدرتی اطلاق میشود که توان را از فرم DC به فرم AC در فرکانس و ولتاژ خروجی موردنیاز تبدیل میکند.
اینورترها به دودسته اصلی طبقهبندی میشوند
در یک دستهبندی دیگر اینورترها به:
تقسیم میشوند که در ادامه نحوه کار هرکدام را تشریح خواهیم کرد و روی اصلکاری یعنی اینورتر 3 فاز مانور خواهیم داد.
دو نوع اینورتر تک فاز وجود دارد: اینورتر پل کامل و اینورتر نیم پل.
این نوع اینورتر بلوک اصلی ساختمان یک اینورتر پل کامل است. این اینورتر شامل دو کلید است و هر یک از خازنهای آن دارای ولتاژ خروجی برابر با Vdc2 است. علاوه بر این، سوئیچها مکمل یکدیگر هستند، یعنی اگر یکی روشن شود، دیگری خاموش میشود.
این مدار اینورتر DC را به AC تبدیل میکند. این اتفاق با بستن و باز کردن سوئیچها به ترتیب درست به دست میآید. اینورتر پل کامل دارای چهار حالت عملیاتی مختلف است که بر اساس آن سوئیچها بسته میشوند.
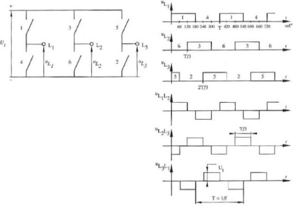
اینورتر سه فاز ورودی DC را به خروجی AC سه فاز تبدیل میکند. سه بازوی آن معمولاً با زاویه 120 درجه به تأخیر میافتند تا یک منبع AC سه فاز ایجاد شود. سوئیچهای اینورتر هرکدام دارای نسبت 50 درصد هستند و سوئیچینگ پس از هر T/6 از فاصله زمانی T 60°angleinterval رخ میدهد. سوئیچهای S1 و S4، سوئیچهای S2 و S5 و سوئیچهای S3 و S6 مکمل یکدیگر هستند.
شکل زیر مدار یک اینورتر سه فاز را نشان میدهد. این مدار چیزی نیست جز سه اینورتر تک فاز که در یک منبع DC قرارگرفتهاند. ولتاژ قطب در یک اینورتر 3 فاز برابر با ولتاژ قطب در اینورتر نیم پل تک فاز است.

اینورترهای سه فاز برای کاربردهای درایو فرکانس متغیر و برای کاربردهای توان بالا مانند انتقال برق HVDC استفاده و پنل های خورشیدی استفاده میشوند. یک اینورتر سه فاز اصلی شامل سه کلید اینورتر تک فاز است که هرکدام به یکی از سه پایانه بار متصل هستند. در حالت پایه، عملکرد سه سوئیچ بهگونهای هماهنگ میشود که یک سوئیچ در هر نقطه 60 درجه شکل موج خروجی اصلی کار کند. این یک شکل موج خروجی خط به خط در شش مرحلهایجاد میشود. شکل موج شش مرحلهای دارای یک پله ولتاژ صفر بین بخشهای مثبت و منفی موج مربع است.
شکل زیر یک مدار سوئیچینگ اینورتر 3 فاز که توالی سوئیچینگ 6 مرحلهای و شکل موج ولتاژ بین پایانهها را نشان میدهد.

برای ساخت اینورترهایی با توان بالاتر، دو اینورتر سه فاز شش مرحلهای را میتوان بهصورت موازی برای درجه جریان بالاتر یا بهصورت سری برای رتبهبندی ولتاژ بالاتر متصل کرد. درهرصورت، شکل موجهای خروجی برای به دست آوردن یک شکل موج 12 مرحلهای تغییر فاز میدهند. اگر اینورترهای اضافی نیز به مدار اضافه شوند، یک اینورتر 18 مرحلهای با سه اینورتر به دست میآید. اگرچه اینورترها معمولاً بهمنظور دستیابی به درجهبندی ولتاژ یا جریان افزایشیافته ترکیب میشوند، کیفیت شکل موج نیز بهبود مییابد.
اینورتر سه فاز دارای دو حالت هدایت هستند - حالت هدایت 180 درجه و حالت هدایت 120 درجه.
در این حالت هدایت اینورتر 3 فاز، هر دستگاه 180 درجه در حالت رسانایی است که در فواصل 60 درجه روشن میشود. پایانههای A، B و C پایانههای خروجی پل هستند که به اتصال سه فاز مثلث یا ستاره بار متصل میشوند.
عملکرد یکبار متصل به ستاره متعادل در نمودار زیر توضیح دادهشده است. برای دوره 0°-60°، نقاط S1، S5 و S6 در حالت هدایت هستند. پایانههای A و C بار در نقطه مثبت آن به منبع متصل میشوند. ترمینال B در نقطه منفی خود به منبع متصل است. علاوه بر این، مقاومت R/2 بین زمین (خنثی) و انتهای پایانه مثبت است درحالیکه مقاومت R بین پایانه خنثی و منفی است.

ولتاژهای بار به شرح زیر است.
ولتاژهای لاین یا خط به شرح زیر است.
در این حالت هدایت، هر وسیله الکترونیکی در حالت رسانایی 120 درجه قرار دارد. این حالت برای اتصال مثلث در یکبار بسیار مناسب است زیرا منجر به یک نوع موج شش مرحلهای در هر یک از فازهای آن میشود؛ بنابراین، در هرلحظه تنها دو دستگاه رسانا میشوند، زیرا هر دستگاه تنها در 120 درجه هدایت میکند.
ترمینال A روی بار به انتهای مثبت و ترمینال B به انتهای منفی منبع متصل است. ترمینال C روی بار در وضعیتی است که به آن حالت شناور میگویند. علاوه بر این، ولتاژ فاز برابر با ولتاژ بار است که در زیر نشان دادهشده است.
اکثر خانههای ایرانی منبع تغذیه تک فاز دارند که اساساً به این معنی است که آنها یک سیم برقدارند که از شبکه وارد میشود. با این حال، برخی از خانهها و شرکتها دارای یک منبع تغذیه سه فاز هستند، یعنی سه سیم را از برق شبکه کشیدهاند.
یک خانه سه فاز میتواند برق بیشتری را از شبکه وارد کند که اگر خانه نیاز به بارهای بزرگتری مانند تهویههای مطبوع بزرگ، بخاری های بزرگ و... داشته باشد در این حالت اینورتر سه فاز مفید است.
برای بررسی اینکه آیا منبع تغذیه سه فاز دارید یا خیر، تنها کاری که باید انجام دهید این است که به تابلوی برق خود نگاه کنید. اگر منبع تغذیه تک فاز دارید، تنها یک قطب روی کلید اصلی یا جداکننده کنتور خود خواهید داشت. اگر منبع تغذیه سه فاز داشته باشید، سه قطب خواهید دید.
یک اینورتر خورشیدی سه فاز، الکتریسیته DC را از پنلهای خورشیدی دریافت میکند، آن را به برق AC تبدیل میکند و برق AC را به طور مساوی در سه فاز به خانه ارسال میکند. این اینورترها معمولاً شبیه به یک اینورتر تک فاز هستند، اگرچه ممکن است هزینه کمی بیشتر داشته باشند.
اینورترهای خورشیدی سه فاز با سیستمهای اینورتر خورشیدی بزرگتر بهترین کار را میکنند، زیرا از ارسال بار بیش از حد به یک فاز که میتواند باعث عدم تعادل بین بارگذاری تمام فازها شود، جلوگیری میکند. با این حال، این اینورتر معمولاً برای سیستمهای 6 کیلووات یا بزرگتر موردتوجه قرار میگیرد و نه برای اینورترهای ظرفیت 5 کیلووات یا کمتر، زیرا 5 کیلووات برق که از یک فاز عبور میکند معمولاً هیچ مشکلی ایجاد نمیکند.
استفاده از اینورترهای سه فاز مزایای متعددی دارد. در مرحله اول، همانطور که در بالا ذکر شد، این اینورترها به جلوگیری از عدم تعادل در بارگذاری برق کمک میکنند. ثانیاً، هنگامیکه ظرفیت اینورتر در سه سیم پخش میشود، بازگرداندن انرژی خورشیدی به شبکه آسان تر خواهد بود. استفاده از اینورتر خورشیدی سه فاز در خانههای سه فاز نیز میتواند بروز مشکلات اضافه ولتاژ را به میزان قابلتوجهی کاهش دهد.
با توجه به این که در بیشتر موارد، یک اینورتر تک فاز برای سیستمهایی که کوچکتر از 5 کیلو وات هستند کافی است. برای این سیستمهای کوچک، یک اینورتر سه فاز ممکن است لزوماً ارزش اضافی اضافه نکند. استثنا مگر اینکه خانه یا شرکت شما در یک مکان روستایی قرار داشته باشید که از خطوط اصلی برق دور است. در این مورد، میتوان از یک اینورتر سه فاز برای افزایش محدودیتهای ولتاژ از پیش تعیینشده خود استفاده کرد تا توان تولیدشده خود را به شبکه بازگرداند.
بهترین راه برای فهمیدن اینکه آیا به یک اینورتر سه فاز نیاز دارید یا نه این است که با کارشناسان در این زمینه صحبت کنید. در لیون الکترونیک، ما میتوانیم یک بازرسی سایت انجام دهیم تا بررسی کنیم که آیا خانه و مصرف برق شما به یک اینورتر خورشیدی تک فاز یا سه فاز نیاز دارد.
امیدوارم که مقاله ما مورد توجه شما قرار گرفته باشد.
در یادداشتی اختصاصی برای جام جم آنلاین مطرح شد
در یادداشتی اختصاصی برای جام جم آنلاین مطرح شد
عضو دفتر حفظ و نشر آثار رهبر انقلاب در گفتگو با جام جم آنلاین مطرح کرد
تهیهکننده و کارگردان مستند رئالیتی «کارخنده» درباره چالشهای تولید این برنامه و تغییرات در فصل چهارم آن توضیح میدهد
فیلمساز بوشهری معتقد است سینمای ماندگار، بازتابی از ملاقات انسان با خویشتنِ خویش و سیر درونی اوست.